current Hem > Produkt > Låskontrollserie >MS982-6C

MS982-6C
Shengjiu Group

MS982-6C

Produktbeskrivning

Material: Zinklegering

Ytbehandling: spraymålning

Låskärnas form: bladlåskärna

Övrigt: Neutral saltspray 480H

Tekniska parametrar


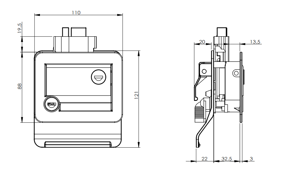
Ritningsinformation

Application solution
    Inga data
Rekommendera information
rekommenderade produkter
Produktkonsultation
Integritetspolicy
×

Integritetspolicy

Datauppdatering pågår......









+0086-574-87845333
info@shengjiu.com
Sengjiu Road No 1, Dayin Town, Yuyao City, ZheJiang-provinsen, Kina 315423